NH4
Chanan
| État de disponibilité: | |
|---|---|
| Quantité: | |
Les fusibles NH4 sont un composant crucial du système de fusibles NH, se distinguant par le « 4 » qui indique sa position comme la plus grande taille au sein de la série de fusibles NH, allant du NH00 (le plus petit) au NH4.
Principales caractéristiques d'un fusible NH4 :
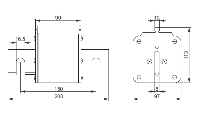
Grandeur physique: Le « 4 » signifie les dimensions standardisées du fusible, lui permettant de s'adapter aux bases de fusibles ou à l'appareillage de commutation correspondant.
Caractéristiques électriques : Les fusibles NH4 ont des valeurs nominales de tension et de courant spécifiques, représentant les paramètres maximaux qu'ils peuvent gérer.Ces valeurs nominales garantissent que le fusible peut transporter un courant désigné dans des conditions normales et interrompre le courant en cas de défaut.
Fonction de protection : Les fusibles NH4 sont conçus pour protéger les circuits électriques contre les surintensités, généralement causées par des surcharges ou des courts-circuits.Lorsqu'un événement de surintensité se produit, l'élément fusible du fusible fond, ouvrant le circuit et empêchant tout dommage potentiel aux autres composants ou tout risque d'incendie.
Conception: Les fusibles NH4 présentent généralement une conception en forme de lame de couteau avec des lames de contact aux deux extrémités, permettant une insertion et un retrait faciles des bases de fusibles ou des sectionneurs.
Applications: Les fusibles NH4 sont couramment utilisés dans les installations électriques industrielles et commerciales qui nécessitent une protection robuste contre les surintensités pour les équipements de forte puissance tels que les gros moteurs et transformateurs, en raison de leur grande taille et de leur grande capacité.
Standardisation: Fabriqués selon les normes de la Commission électrotechnique internationale (CEI), les fusibles NH4 garantissent la compatibilité et la sécurité entre différents fabricants et applications dans le monde entier.
Identification: Les fusibles NH4 sont clairement marqués avec leur courant nominal et leur pouvoir de coupure, facilitant ainsi la sélection du fusible approprié pour des applications électriques spécifiques.
Les fusibles NH4 jouent un rôle essentiel pour garantir la sécurité électrique dans les environnements industriels intensifs, en fournissant une protection fiable contre les surintensités pour maintenir l'intégrité du système et prévenir les dommages.
| Modèle | Modèles équivalents | Courant nominal (A) | Tension nominale (V) | I²t (Ampère² secondes) | Perte de puissance (W) | |
| Pré-arc | I1 120 kA à 500 V | |||||
| NH4-500A | RT16-4 NT4 RT20-4 RO39 3NA3 | 500 | 500 690 | 800000 | 3850000 | 37 |
| NH4-630A | 630 | 880000 | 4100000 | 48 | ||
| NH4-800A | 800 | 1500000 | 6480000 | 68 | ||
| NH4-1000A | 1000 | 4800000 | 13000000 | 80 | ||
| NH4-1250A | 1250 | 7000000 | 18000000 | 108 | ||
Les fusibles NH4 sont un composant crucial du système de fusibles NH, se distinguant par le « 4 » qui indique sa position comme la plus grande taille au sein de la série de fusibles NH, allant du NH00 (le plus petit) au NH4.
Principales caractéristiques d'un fusible NH4 :
Grandeur physique: Le « 4 » signifie les dimensions standardisées du fusible, lui permettant de s'adapter aux bases de fusibles ou à l'appareillage de commutation correspondant.
Caractéristiques électriques : Les fusibles NH4 ont des valeurs nominales de tension et de courant spécifiques, représentant les paramètres maximaux qu'ils peuvent gérer.Ces valeurs nominales garantissent que le fusible peut transporter un courant désigné dans des conditions normales et interrompre le courant en cas de défaut.
Fonction de protection : Les fusibles NH4 sont conçus pour protéger les circuits électriques contre les surintensités, généralement causées par des surcharges ou des courts-circuits.Lorsqu'un événement de surintensité se produit, l'élément fusible du fusible fond, ouvrant le circuit et empêchant tout dommage potentiel aux autres composants ou tout risque d'incendie.
Conception: Les fusibles NH4 présentent généralement une conception en forme de lame de couteau avec des lames de contact aux deux extrémités, permettant une insertion et un retrait faciles des bases de fusibles ou des sectionneurs.
Applications: Les fusibles NH4 sont couramment utilisés dans les installations électriques industrielles et commerciales qui nécessitent une protection robuste contre les surintensités pour les équipements de forte puissance tels que les gros moteurs et transformateurs, en raison de leur grande taille et de leur grande capacité.
Standardisation: Fabriqués selon les normes de la Commission électrotechnique internationale (CEI), les fusibles NH4 garantissent la compatibilité et la sécurité entre différents fabricants et applications dans le monde entier.
Identification: Les fusibles NH4 sont clairement marqués avec leur courant nominal et leur pouvoir de coupure, facilitant ainsi la sélection du fusible approprié pour des applications électriques spécifiques.
Les fusibles NH4 jouent un rôle essentiel pour garantir la sécurité électrique dans les environnements industriels intensifs, en fournissant une protection fiable contre les surintensités pour maintenir l'intégrité du système et prévenir les dommages.
| Modèle | Modèles équivalents | Courant nominal (A) | Tension nominale (V) | I²t (Ampère² secondes) | Perte de puissance (W) | |
| Pré-arc | I1 120 kA à 500 V | |||||
| NH4-500A | RT16-4 NT4 RT20-4 RO39 3NA3 | 500 | 500 690 | 800000 | 3850000 | 37 |
| NH4-630A | 630 | 880000 | 4100000 | 48 | ||
| NH4-800A | 800 | 1500000 | 6480000 | 68 | ||
| NH4-1000A | 1000 | 4800000 | 13000000 | 80 | ||
| NH4-1250A | 1250 | 7000000 | 18000000 | 108 | ||